
一、絕緣子串電壓分布規律
由于每個絕緣子的金屬部分與桿塔(地)間、導線間均存在雜散電容,絕緣子串中每個絕緣子實際所分擔的電壓并不相同。如圖1-1中的曲線3所示。沿絕緣子串的電壓分布是極不均勻的,靠近導線的絕緣子電壓降最大,離導線愈遠的絕緣子兩端壓降愈小,當絕緣子靠近桿塔橫擔時,絕緣子電壓降又升高。絕緣子串愈長,電壓分布愈不均勻,愈容易導致某些部位的絕緣損壞。
二、絕緣子串電壓分布測量方法
測量電壓分布的工具有短路叉、電阻分壓桿、電容分壓桿、火花間隙檢驗桿等。
1.短路叉
這是檢測損壞絕緣子(又稱零值絕緣子)最簡便的工具,其檢測方法如圖1-2所示。
檢測桿端部裝上一個金屬絲做成的叉子,把短路叉的一端2和下面絕緣子的鋼帽接觸,當另一端1靠近被測絕緣子的鋼帽時,1和鋼帽間的空氣隙會產生火花。被測絕緣子承受的分布電壓愈高,出現火花愈早,而且火花的聲音也愈大,因此根據放電情況可以判斷被測絕緣子承受電壓的情況。
如果被測絕緣子是零值的,就不承受電壓,因而就沒有火花。這種測桿不能測出電壓分布的具體數值,但可以檢查出零值絕緣子。在使用時應注意,當電壓等級較低時(35kV及以下)不能因火花間隙放電而引起相對地閃絡。
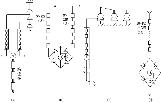
2.電阻分壓桿、電容分壓桿
電阻分壓桿的內部結構和接線如圖1-3所示,其中圖1-3(a)、(b)是表示測量兩點之間電位差的外部結構和內部連接圖,適用于110kV及以上的變電所和線路絕緣子串測量;
圖1-3(c)、(d)是表示測量某點對地電位的外部結構和內部連接圖,適用于35kV變電所內支柱絕緣子的測量。這種檢驗桿應預先在室內求出端部電壓和微安表讀數的關系,并應經常校準。通常盤形懸式絕緣子C≈50pF,1/ωC=64MΩ。當采用電阻為220MΩ的絕緣桿與之并聯時,阻抗值降為50MΩ,將會導致約20%的誤差,這需要在測量中注意。在強電場附近測量時,要注意外界電場對表讀數的影響,必要時需采用適當的抗干擾措施。
當采用圖1-3(a)方法測量時,若某片絕緣子片的電位差為0,則該片絕緣子即為零值絕緣子。當采用圖1-3(c)方法測量時,應先從母線端開始讀取微安表的讀數,依次往下進行,所測得的微安數應該是遞減的,如出現某片絕緣子與上一片絕緣子電流值相同,則該片絕緣子就是零值絕緣子。
電容分壓桿與電阻分壓桿類似,只是將電阻串和帶有橋式整流的微安表,換成一個或幾個串聯且能承受被測電壓的高壓電容器與一個小量程指針式的靜電電壓表相串聯。當電容器的電容量取的足夠小的時候,被測量的電壓都分布在電容器上,因此小量限的電壓表就可測量幾千到幾萬伏的電壓。
3.火花間隙檢測桿
圖1-4所示為一種可調火花間隙的檢測桿,其測量部分是一個可調的放電間隙和一個小容量的高壓電容器相串聯,預先在室內校好放電間隙的放電電壓值,并標在刻度板上,測桿在機械上可以旋轉。這樣,在現場將高壓電容器和放電間隙串聯的部分并聯到絕緣子片兩端,轉動操作桿,改變放電間隙,直至開始放電,即可讀出相應于間隙距離在刻度板上所標出的放電電壓值。如果某一元件上的分布電壓低于規定標準值,而相鄰其他元件的分布電壓又高于標準值時,則該元件可能有缺陷。為了防止因火花間隙放電短接了良好的絕緣元件而引起相對地閃絡,可以用電容與火花間隙串聯后再接到探針上去。電容值約為30pF,與一片良好的懸式絕緣子的電容值接近。因為和電容串聯的火花間隙的電容量只有幾皮法(pF),所以電容的存在基本上不會降低作用于間隙上的被測電壓。
這種檢測工具的缺點是,動電極容易損傷而變形,放電電壓受溫度影響,檢測結果分散性大,這些都使其檢測的準確性較差,而且測量時勞動強度較大,時間也較長,因此,它僅用于檢驗性測量,對于零值絕緣子的檢測還是有效的。