
輸電線路阻抗的測量分正序阻抗和零序阻抗兩種來測量。
一、測量正序阻抗
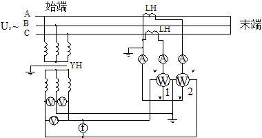
如圖1-1所示將線路末端三相短路,在始端加三相工頻電壓,測量各相的電流、三相的線電壓和三相總功率。按測得的電壓、電流取三個數的算術平均值;功率取功率表1及2的代數和(用低功率因素功率表),并按下式計算線路每相每公里的正序參數。
正序阻抗 Z=[Uav/(√3)Iav]×[1/L] (歐/公里) (10-7)
正序電阻 R=[P/3Iav2]×[1/L] (歐/公里) (10-8)
正序電抗 X=√(Z12-R12) (歐/公里) (10-9)
正序電感 L=X1/2π? (亨/公里) (10-10)
式中 P ──三相總功率,即 P = P1 + P2 (瓦);
Uav──三相線電壓平均值(伏);
Iav ──三相電流平均值(安);
L ──線路長度(公里);
? ──測量電源的頻率(赫)。
在圖1-1中,試驗電源電壓應按線路長度和試驗設備來選擇,對100公里及以下線路可用380伏,100公里以上線路最好用1千伏以上電壓測量,以免由于電流過小引起較大的測量誤差。
二、測量零序阻抗
測量零序阻抗接線如圖1-2所示,測量時將末端三相短路接地,在始端施加單相交流電壓。根據測得的電流、電壓及功率,按下式計算出每相每公里的零序參數。
零序阻抗 Z0=[3U/I]×[1/L] (歐/公里) (10-11)
零序電阻 R0=[3P/I2]×[1/L] (歐/公里) (10-12)
零序電抗 X0=√(Z02-R02) (歐/公里) (10-13)
零序電感 L0=X0/2π? (亨/公里) (10-14)
式中 P ──所測功率(瓦);
U、I ──試驗電壓(伏)和電流(安);
L ──線路長度(公里);
? ──試驗電源的頻率(赫)。