
變壓器繞組直流電阻的檢測是一項很重要的試驗項目,DL/T596--1996預試規程的試驗次序排在變壓器試驗項目的第二位。
1.規程規定它是變壓器大修時、無載開關調級后、變壓器出口短路后和1~3年一次設備的必試項目。
2.可有效的考核繞組縱絕緣和電流回路連接狀況,能夠反映繞組匝間短路、繞組斷股、分接開關接觸狀態以及導線電阻的差異和接頭接觸不良等缺陷故障。是判斷各相繞組直流電阻是否平衡、調壓開關檔位是否正確的有效手段。
一、DL/T 596--1996預試規程的試驗周期和要求
1.試驗周期
變壓器繞組直流電阻正常情況下1~3年檢測一次。但有如下情況必須檢測:
(1)無勵磁調壓變壓器變換分接位置后必須進行檢測;
(2)有載調壓變壓器在有載分接開關檢修后必須對所有分接進行檢測;
(3)變壓器大修后必須進行檢測;
(4)必要時進行檢測。如變壓器經出口短路后必須進行檢測。
2.試驗要求
變壓器容量在1.6MVA及以上,繞組直流電阻相互間差別不應大于2%;無中性點引出的繞組線間差別不應大于三相平均值的1%。
容量在1.6MVA以下,相間差別一般不大于三相平均值的4%;線間差別一般不大于三相平均值的2%。
與以前相同部位測得值比較其變化不應大于2%;如直流電阻相間差在變壓器出廠時超過規定,制造廠已說明了這種偏差的原因,也以變化不大于2%考核。
不同溫度下的電阻值應換算到同一溫度下進行比較,并按下式換算:
R2=R1[(T+t2)/(T+t1)]
式中:R1、R2——分別為溫度t1、t2時的電阻值;T—常數,其中銅導線為235,鋁導線為225。
二、減少測量時間提高檢測準確度的措施
一般使用電壓降法和電橋法。對于大型變壓器,其電感非常大,為了加快測量速度,可采用快速測量方法。
變壓器繞組是由分布電感、電阻及電容組成的復雜電路。測直流電阻是在繞組的被試端子間通以直流,待瞬變過程結束、電流達到穩定后,記錄電阻值及繞組溫度。測直流電阻的關鍵問題是將自感效應降低到最小程度。為解決這個問題分為以下兩種方法。
1.助磁法
助磁法是迫使鐵心磁通迅速趨于飽和,從而降低自感效應,歸納起來可縮短時間常數,大體有以下幾種方法:
(1)用大容量蓄電池或穩流源通大電流測量。
(2)把高、低壓繞組串聯起來通電流測量,采用同相位和同極性的高壓繞組助磁。由于高壓繞組的匝數遠比低壓的多,借助于高壓繞組的安匝數,用較小的電流就可使鐵心飽和。
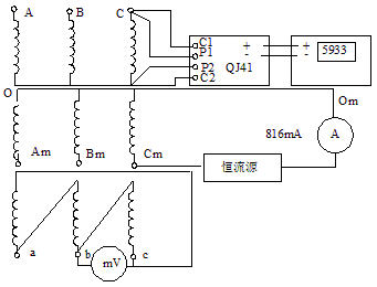
(3)采用恒壓恒流源法的直流電阻測試儀。使用時可把高、低壓繞組串聯起來,應用雙通道對高、低壓繞組同時測量,較好地解決了三相五柱式大容量變壓器直流電阻測試的困難。一般測試一臺360MVA,500kV或220kV變壓器繞組直流電阻約需30~40min,測量接線如圖1-1所示。

2.消磁法
消磁法與助磁法相反,力求使通過鐵心的磁通為零。使用的方法有兩種:
(1)零序阻抗法。該方法僅適用于三柱鐵心Y-N連接的變壓器。它是將三相繞組并聯起來同時通電,由于磁通需經氣隙閉合,磁路的磁阻大大增加,繞組的電感隨之減小,為此使測量電阻的時間縮短。
(2)磁通勢抵消法。試驗時除在被測繞組通電流外,還在非被測繞組中通電流,使兩者產生的磁通勢大小相等、方向相反而互相抵消,從而保持鐵心中磁通趨近于零,將繞組的電感降到最低限度,達到縮短測量時間的目的。其測量接線如圖1-2所示。
