
介質損耗角正切測量
1.試驗目的
測量變壓器的介質損耗角正切值tanδ主要用來檢查變壓器整體受潮、釉質劣化、繞組上附著油泥及嚴重的局部缺陷等,是判斷31.5MVA以下變壓器絕緣狀態的一種較有效的手段。測量變壓器的介質損耗角正切值是將套管連同在一起測量的,但是為了提高測量的準確性和檢出缺陷的靈敏度,必要時可進行分解試驗,以判明缺陷所在位置。
2.結果處理
表4-4給出了《規程》規定tanδ測量值,測量結果要求與歷年數值進行比較,變化應不大于30%。當采用電橋法測量時,對于工作電壓10kV及以上的繞組,試驗電壓為10kV;對于工作電壓為10kV及其以下的繞組,試驗電壓為額定電壓。當采用M型試驗器時,試驗電壓通常采用2500V。
|
變壓器電壓等級
|
330~500kV
|
66~220kV
|
35kV及以下
|
|
tanδ
|
0.6%
|
0.8%
|
1.5%
|
3.注意事項
測量溫度以頂層油溫為準,盡量使每次測量的溫度相近。測量應盡量在油溫低于50℃下進行,不同溫度下(t1、t2)的tanδ值(tanδ1、tanδ2)可按如下工程簡化公式進行換算:
變壓器介質損耗角正切測量結果常受表面泄露和外界條件(如干擾電場和大地條件)的影響,應采取措施減少和消除這種影響。
4.測量方法
(1)平衡電橋測量方法
由于變壓器外殼均直接接地,所以多采用QS-1型西林電橋的反接法進行測量。對雙繞組和三繞組變壓器的測量部位見表5-5。
|
雙繞組變壓器
|
三繞組變壓器
|
||||
|
序號
|
測量端
|
接地端
|
序號
|
測量端
|
接地端
|
|
1
|
高壓
|
低壓+鐵芯
|
1
|
高壓
|
中壓、鐵芯、低壓
|
|
2
|
低壓
|
高壓+鐵芯
|
2
|
中壓
|
高壓、鐵芯、低壓
|
|
3
|
高壓+低壓
|
鐵芯
|
3
|
低壓
|
高壓、鐵芯、中壓
|
|
|
|
|
4
|
高壓+低壓
|
中壓、鐵芯
|
|
|
|
|
5
|
高壓+中壓
|
低壓、鐵芯
|
|
|
|
|
6
|
低壓+中壓
|
高壓、鐵芯
|
|
|
|
|
7
|
高壓+中壓+低壓
|
鐵芯
|
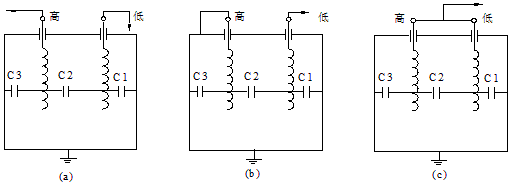
對雙繞組變壓器測量tanδ及C時,接線如圖4-1所示。從上述接線方式中可以清晰地看出,測量所得的數據并不是各繞組的tanδ和C,需要在測量后進行計算。

對于三繞組變壓器測量C及tanδ的接線方式如圖4-2所示。


可以推導出變壓器各繞組對地和變壓器繞組間的C和tanδ
(2)、非平衡電橋測量法
用非平衡電橋測量(M型介質試驗器)雙繞組和三繞組變壓器的tanδ,其測量順序和方法按表4-6所示方法進行。測量時M型介質試驗器的試驗電壓均為2500V。
|
雙繞組變壓器
|
三繞組變壓器
|
||||||
|
序號
|
測量部位
|
屏蔽繞組
|
序號
|
測量部位
|
屏蔽繞組
|
||
|
測量端
|
接地端
|
測量端
|
接地端
|
||||
|
1
|
高壓
|
低壓
|
--
|
1
|
高壓
|
低壓
|
中壓
|
|
2
|
高壓
|
--
|
低壓
|
2
|
高壓
|
--
|
低壓、中壓
|
|
3
|
低壓
|
低壓
|
--
|
3
|
低壓
|
中壓
|
高壓
|
|
4
|
低壓
|
--
|
低壓
|
5
|
低壓
|
--
|
高壓、中壓
|
|
|
|
|
|
5
|
中壓
|
高壓
|
低壓
|
|
|
|
|
|
6
|
中壓
|
--
|
高壓、低壓
|
|
|
|
|
|
7
|
全部
|
--
|
--
|
在雙繞組變壓器中,試驗2直接測出高壓-地的tanδ,試驗4直接測出低壓-地的tanδ。若試驗1、2、3、4所測量的視在功率分別為S1、S2、S3、S4,有功功率分別為P1、P2、P3、P4,則高壓-低壓之間的
。
在三繞組變壓器中,試驗2、4、6可直接測出高壓、低壓、中壓對地的tanδ。若試驗1、2、3、4、5、6所測得的視在功率分別為S1、S2、S3、S4、S5、S6,有功功率分別為P1、P2、P3、P4、P5、P6,則高壓-低壓之間的
,低壓-中壓之間的
,中壓-高壓之間的
。
在電氣試驗中容易出現的錯誤接線分析
根據《電力設備預防性試驗規程》(DL/T596-1996)的規定, QSI型高壓西林電橋測量電力變壓器繞組介質損耗因數的正確接線。其被試繞組短接加高壓,非被試繞組短接接地,以避免因繞組電感的影響而造成各側繞組端部和尾部電位差較大,影響測量的準確度。
常見的錯誤接線為繞組不短接。應用等值電路分析可知,所測得的介質損耗因數tanδ’大于實際值tanδ。當繞組兩端短接后再加壓時,則由于電容電流在電感性繞組內方向相反,產生相互抵消的磁通,即電感L值極小,將不致產生太大的誤差。現場曾對某6.3MVA、220kV電力變壓器在不同接線的測量結果下表,繞組不短接測得的介質損耗因數,明顯大于繞組短接后的測量值。
有關產品購買、信息咨詢、技術資料等歡迎致電:027-87771780
來源:華電高科官方網站