
干式試驗變壓器利用先進的生產設備,采用線圈繞組環氧真空澆注及CD型鐵芯的新工藝,和同類產品油浸式變壓器相比,明顯地降低重量,減少體積,在質量上提高了絕緣強度和抗濕程度,并有效地削弱了漏磁而大大加強了變壓器承受試驗短路電流的沖擊能力。
干式試驗變壓器輸入電壓為200V,利用電磁感應原理根據需要改變輸入電壓,即可獲得輸出高壓從零伏連續可調到額定的最高值。在作直流耐壓及泄露電流測試時,只要把高壓硅堆旋裝在高壓輸出端,即可改變輸入電壓,從而獲得不同值的直流高壓輸出。
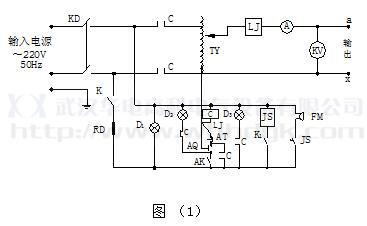
干式試驗變壓器具體工作原理見圖(1),當用作串級使用時,其接線見圖(2)
GYD:試驗變壓器 JS:時間繼電器
TY:自藕調壓器 FM:報警器
LJ:過流繼電器 D1、D2、D3:指示燈
C:交流接觸器 RD:熔斷器
K:總電源開關 K1:時間繼電器電源開關
AK:調壓器回零限位開關 AQ:起動按鈕
CL:高壓硅堆 AT:停止按鈕
A:輸出電流表 KV:輸出電壓表
為了避免受到電擊或人身安全,同時為了避免儀表或被測設備受到損壞,提醒使用者可靠控制和合理使用,在任何時候必須遵守以下原則:試驗變壓器在接通電源前,必須接地!沒有接地以前,不得接入電源。