
自升壓精密電壓互感器
35kV,0.05級以下電壓互感器,可用于校驗0.1級以下電壓互感器,校驗變化,35 kV /100V、35kV/√3/100/ √3V。自升壓精密電壓互感器在使用時如何進行接線?
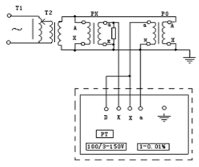
1.雙級電壓互感器校電壓互感器接線圖:
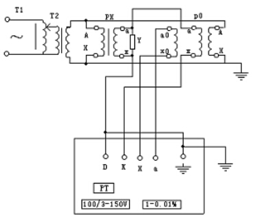
2.電壓互感器校電壓互感器接線圖:
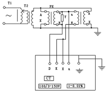
3.電壓互感器自校接線圖
4.電壓互感器校電壓互感器接線圖: