及時聯系我們為您解答產品相關疑問
歡迎撥打全國統一服務熱線

銷售電話: 027-8777 1781
027-8777 1782
服務電話: 133 9713 6633
傳真電話: 027-8777 1786
電子郵箱: whhdgk@126.com
HDCR3000數字式接地電阻測試儀如何進行地電壓測量
您的位置:首頁
>> 服務支持
>> 技術文章
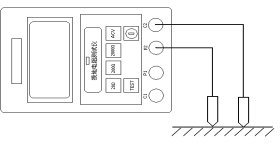
HDCR3000數字式接地電阻測試儀專為現場測量接地電阻而精心設計制造的,采用最新數字及微處理技術,3線或2線法測量接地 電阻,具有獨特的線阻校驗功能、抗干擾能力和環境適應能力,確保長年測量的高精度、高穩定性和可靠性。那么HDCR3000數字式接地電阻測試儀如何進行地電壓測量?以下武漢華電高科技術專家為大家解答。
測試時僅將兩探針用測試線接至儀表C2、P2兩測試孔,打開電源開關,檔位選擇開關置AC.V位,按一下測試開關TEST,顯示屏即顯示地電壓值。測試完畢,關閉電源。
(注意:本檔位最大測試電壓為 AC 20V)
圖一
有關產品購買、信息咨詢、技術資料等歡迎致電:027-87771780 或是
版權說明:本站所有文章、圖片、視頻等資料的版權均屬于武漢華電高科電氣設備有限公司,其他任何網站或單位未經允許禁止轉載、用于商業盈利,違者必究。如需使用,請與我們聯系;允許轉載的文章、圖片、視頻等資料請注明出處"來自:武漢華電高科"。
?