
HZGF系列智能型直流高壓發生器操作步驟:
● 控制箱上的顯示燈、開關、旋鈕等已標清楚,看此操作說明時請參照控制箱的面板上元器件名稱使用
●倍壓筒底盤側面有(四)五芯插座為聯接控制箱電纜之插座,底盤側面有銅接線柱為接地端子作連接地線用。
●附帶的高壓屏蔽電流表為數顯微安表,表頂端上的插孔為連接被試品的線插孔,同時也作為電源開關,不用時請拔掉插頭,就自動關閉電源。換電池時請將后蓋旋下,換好后請將后蓋旋緊。
直流高壓發生器使用前準備直流高壓發生器使用前準備
空載升壓試驗并驗證過電壓保護整定
1.接通電源開關,此時綠燈亮,表示電源接通。
2.按紅色按鈕,則紅燈亮,表示高壓接通。
3.順時針方向平緩調節調壓電位器,輸出端即從零開始升壓。升至所需電壓后,按規定時間記錄電流表讀數,并檢查控制箱及輸出電纜有無異常現象及聲響。必要時用外接高壓分壓器校準控制箱上的直流高壓指示。
4.升電壓至過壓保護設定值,機內保護電路應動作,綠燈亮、紅燈滅。
5.將調壓電位器回零,關閉電源開關。
直流高壓發生器幾種測試方法
1.一般測量時,當接好線后,先把聯接試品的線懸空,升到試驗電壓后讀取空試時的電暈和雜散電流I’,然后接上試品升到試驗電壓讀取總電流I1。 試品泄漏電流:I0 = I1 –I’
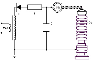
2.當需要精密測量被試品泄漏電流時,則應在高壓側串入GL型高壓微安表(見圖5a)。
圖5 a 微安表接入試品Cχ高壓側接線圖
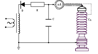
微安表必須有金屬屏蔽,應采用屏蔽線與試品聯接。高壓引線的屏蔽引出應與儀表端的屏蔽緊密聯接。如果要排除試品表面泄漏電流的影響可在試品高電位端用裸金屬軟線緊密繞幾圈后與高壓引線的屏蔽相聯接(見圖5b)。
b 排除試品Cχ表面影響接線圖
3.對氧化鋅、磁吹避雷器等試品接地端可分開的情況下,也可采用在試品的底部(地電位側)串入電流表進行測量的方式。但也必須使用屏蔽線(見圖6a)。當要排除試品表面泄漏電流的影響,可用軟的裸銅線在試品地電位端繞 上幾圈并與屏蔽線的屏蔽相聯接(見圖6b)
4.試驗完畢,將調壓電位器逆時針回到零,按下綠色按鈕,關閉電源開關。
5.對于氧化鋅避雷器等小電容試品一般通過倍壓筒內部測壓電阻放電即可。而對電纜等大電容試品一般要待試品電壓自放電至試驗電壓的20%以下,再通過配套的放電棒進行放電。待試品充分放電后并掛好接地線,才允許進行高壓引線的拆除和更換接線工作。
直流高壓發生器保護動作后的操作
在使用過程中發現紅燈滅,綠燈亮,直流高壓下降,即為有關保護動作。此時應按下列步驟操作。
1.關閉電源開關,面板指示燈均不亮
2.將調壓電位器退回零位。
3.一分鐘后待機內低壓電容器充分放電后才允許再次打開電源開關。重新進行空載試驗并查明情況后可再次升壓試驗。